万彩网机械一站式升降平台生产服务商

咨询热线: 13925969065

广东固定式登车桥液压电路原理

作者: 万彩网 编辑: 万彩网 来源: http://www.wyjac.com 发布日期: 2018.07.13
信息摘要:
广东固定式登车桥又叫调节板或月台平台。面对越来越需求强劲的物流发展,对于物料设备需求进一步增加,尤其是仓库进出货常用设备的增加,固定式登车桥…

广东固定式登车桥又叫调节板或月台平台。面对越来越需求强劲的物流发展,对于物料设备需求进一步增加,尤其是仓库进出货常用设备的增加,固定式登车桥全电动液压驱动、操作简单,调节范围大,使用方便,提高装卸效率,节省人工使用成本,是理想的集装箱装卸平台

广东固定式登车桥适用场所:工厂、仓库、车站、码头、仓储物流基地、邮政运输、物流配送等。
主要由三部分组成,分别为:机械机构、液压系统和电气系统。

  1.机械机构分四部分,底架、面板、唇板和液压执行元件(油缸)。

  2.液压系统由电机驱动齿轮泵吸油,经过辅助液压元件后推动液压执行元件(油缸)上、下行进而带动面板和唇板的上下翻转和展开(详见液压原理图)。

广东固定式登车桥液压原理

广东固定式登车桥液压原理

 

1.油  箱 2.过滤网 3.溢流阀 4.电  机  5.液压泵

6. 梭  阀 7.大油缸 8.小油缸 9.换向阀10.液控逻辑阀

11.节流阀

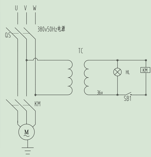
  3.电气系统用以启动电机驱动液压系统,从而达到调节面板和唇板的目的(详见电气原理图)。

广东固定式登车桥电气原理

广东固定式登车桥电气原理

广东固定式登车桥是我司万彩网机械引用国外先进技术,结合国内实际,选用进口零部件,精心设计,将液压与电气结合起来,为解决更多的物流运输问题的一款产品

本文来自http://www.wyjac.com

全国服务热线

13925969065

联系我们

  • 电话:13925969065
  • 主营:升降平台货梯 集装箱登车桥 铝合金升降平台 液压升降机 液压升降货梯
  • Q Q:2376594818
  • 邮箱:2376594818@qq.com
  • 地址:广东省佛山市南海区狮山镇罗村务庄大丰田牛栏尾路一街5号

二维码

  • 微信客服微信公众号
  • 万彩网升降机威麟手机站