万彩网机械一站式升降平台生产服务商

咨询热线: 13925969065

您当前的位置: 首页 > 全站搜索

搜索结果

广东固定式登车桥的好处

广东固定式登车桥的好处

现如今在广东各地,各式现代化厂房拔地而起,为了提高仓储效率,选择一款适合的设备就显得尤为关键,因此广东固定式登车桥应运而生。在仓储仓库出货口也通常称为装卸货台,货台与货车箱体之间存在较大高低差,阻碍叉车通过,不得不依靠人力,大大影响了装卸货效率,不仅不安全还会增加成本。固定式登车桥固定式登车桥......
广东固定式登车桥使用方法

广东固定式登车桥使用方法

物流运输行业日益发达,使得固定式登车桥(高度调节板)越来越受到人们的关注,但是如何正确的掌握广东固定式登车桥使用方法呢?小面万彩网小编来为大家详解其使用方法为了确保使用安全,并使本设备处于完好的工作状态,使用前首先要进行外观性能的检查。固定式登车桥检查内容如下:1、电源线、控制电线等完好无破......
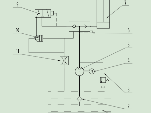
广东固定式登车桥液压电路原理

广东固定式登车桥液压电路原理

广东固定式登车桥又叫调节板或月台平台。面对越来越需求强劲的物流发展,对于物料设备需求进一步增加,尤其是仓库进出货常用设备的增加,固定式登车桥全电动液压驱动、操作简单,调节范围大,使用方便,提高装卸效率,节省人工使用成本,是理想的集装箱装卸平台广东固定式登车桥适用场所:工厂、仓库、车站、码头、仓......

联系我们

  • 电话:13925969065
  • 主营:升降平台货梯 集装箱登车桥 铝合金升降平台 液压升降机 液压升降货梯
  • Q Q:2376594818
  • 邮箱:2376594818@qq.com
  • 地址:广东省佛山市南海区狮山镇罗村务庄大丰田牛栏尾路一街5号

二维码

  • 微信客服微信公众号
  • 万彩网升降机威麟手机站